
详细介绍
导丝峰值拉力测试仪
一、核心结构
力学加载系统
加力装置:通过机械或电动系统施加轴向拉力,模拟导丝临床受力状态
加载速率:标准10mm/min符合YY0450.1-2020要求
行程范围:满足高变形率材料测试。
智能传感与控制系统
高精度力值传感器实时采集拉力数据,生成力-位移曲线并自动标记峰值点。
集成可编程控制器PLC系统及7寸触摸屏,支持中英文操作界面及参数自定义如规格、载荷、速率。
夹具系统
楔形开口夹具:固定导丝末端,确保仅对测试段施力。
气动夹具:橡胶贴面设计,夹持导丝近中点位置,夹持点距楔形夹具≥150mm。
 
二、核心技术参数
控制系统:PLC
操作界面:彩色7寸触摸屏,中英文切换
透明亚克力水槽,可观察实际测试现状
拉力夹具:304不锈钢夹具,浸泡水中,水温0-37°
标配恒温水槽:室温-100度°
公称规格:根据客户要求 
拉力范围:1-30N,精度:±0.05%FS可定制其他精度
拉力速率:0-10mm/min可在触摸屏上任意设置速度
设定时间:1s~60min客户任意设置,精度:0.2s
拉力起始距离:150mm以上可调
电源:220V,50Hz
净重:70kg 
外形尺寸:440×300×1260mm
仪器终身免费依标准:规定升级服务
设备免费保修期为1年
 
三、执行标准及标准化测试流程
符合标准:完全符合YY0450.1-2020标准中相关条款设计制造。
H1.原理
应对导丝上会导致失效的关键连接处的峰值拉力进行评价。任何体外的连接都无须进行列的拉伸试验。对每个试验段施加拉力直至发生失效。
H.2仪器
H.2.1拉伸试验装置,能施加 10N的力。
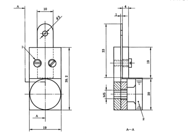
H.2.2楔形开口夹具,如图H.1示结构,或其他结构。
H.2.3橡胶贴面气动夹具,或其他夹具。
H.3 程序
H.3.1从供试器械上选取一个试验段。关键连接处包含在试验段内。
H.3.2 将楔形开口夹具(H.2.2)连接到拉伸试验装置(H.2.1)的移动夹头上,将气动夹具连接到拉伸试验装置的固定夹头上。
H.3.3 把导丝的一端固定在楔形开口夹具上,确保夹具只对末端加力,在导丝近中点位置将其夹紧在气动夹具中,确保夹紧点离楔形开口夹具至少150mm。
H.3.4 以10mm/min的速度施加拉伸力,直到发生失效。
H.4 试验报告
试验报告应包括下列信息:
a)导丝的识别
b)峰值拉力,以牛顿表示
c)失效的位置。
 
 

 
四、关键操作规范
校准维护:每日用标准砝码校验力值精度误差≤±1%,定期检查位移传感器±0.5%偏差。
数据有效性:仅记录非装夹区的失效数据,同批次不合格率限需报废。
安全防护:过载自动断电、传感自我保护功能防止设备损伤。
 
五、核心应用场景
质量控制:
批量验证符合YY0450.1-2020标准,确保峰值拉力≥10N并生成合格率报告,机载打印机输出原始数据。
研发优化:
对比镍钛合金/聚合物涂层的断裂阈值,优化导丝柔韧性与结构设计。评估老化温湿度加速试验对连接耐久性的影响。
 
六、配置清单
主机1台;
测试软件1套;
说明书1份
合格证1份
保修卡1份
签收单1份
铭牌1块
电源线1根
扳手1套
宣传册若干
恒温槽501A室温-100度1个
产品咨询

微信公众号

微信客服